•產品描述:
U1H1L5N2D 是一款工作電壓達到500V的高性能半橋 IPM(Intelligent Power Module),即智能功率模塊。是一種高度集成的半導體器件,內部集成半橋驅動芯片和高速功率 MOSFET,具備體積小,性能高,散熱好等優(yōu)點。U1H1L5N2D的高度集成性和豐富的功能使其成為各種工業(yè)和商業(yè)應用中的理想選擇,能夠提高系統(tǒng)性能和可靠性。
•主要特點:
●內置自舉二極管(IF 0.8A max) l 懸浮絕對電壓: 500V l 內置 500V/5A MOSFET l 負瞬態(tài)電壓高 l 柵極驅動電壓范圍 10V~20V l 輸入邏輯兼容3.3V、5V l 集成VCC和VBS欠壓保護 l 防交叉?zhèn)鲗н壿?/span> l 兩雙通道的匹配傳播延遲
•典型應用:
● 高速風筒 ●風扇 ● 電動工具
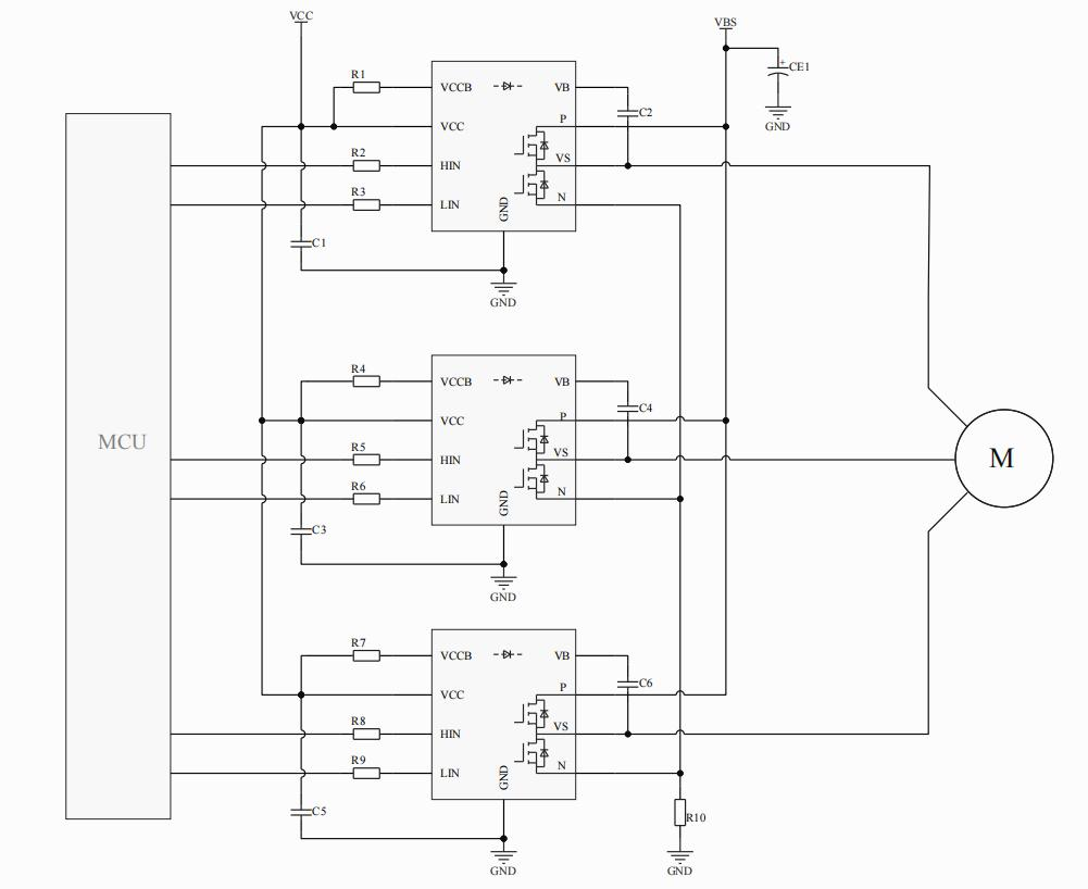
•簡易原理圖

Copyright ? 2015-2023 紹興宇力半導體有限公司
浙公網安備33060202001577
浙ICP備2020037221號-1
技術支持:藍韻網絡